お客様の製品に対するお考え、要望、アイデアなど様々な情報をお伺いし、使用勝手や使用環境、使用する期間など設計に必要な条件もこちらでご確認させて頂きます。
納品物:議事録、メモ、etc.
Now loading...
SERVICES
事業内容
そんな時は ぜひ弊所にご連絡ください。 内容についてはご相談のうえ柔軟に進めさせて頂きますのでお気軽にお問い合わせください。
OUR WORKS
製作事例
お客様のシステム開発用に完全に空想の乗り物を製作させて頂きました。システムに表示するサムネイル素材用に部品表のような構成を表現できるようレイアウトいたしました。
コンセプトは20代〜60代女性が高級エステサロンで使われているようなマシンを、自宅でのリラックスタイムに使っていただき、手にとるたびに「質がよく、高級なものを使っている」と満足感に浸れるような、誰かに自慢したくなるような商品、を3DCADで表現いたしました。
M5スタックを使ったゲームコントローラー開発を担当いたしました。
ヘルスケア製品を開発・販売する企業様からご依頼いただいた案件になります。トレーニングするユーザー様の状態をモニタリングする製品となっており、筐体設計に携わらせて頂きました。
お客様がお持ちの2D図面をパッと3Dモデリングして納品いたしました。
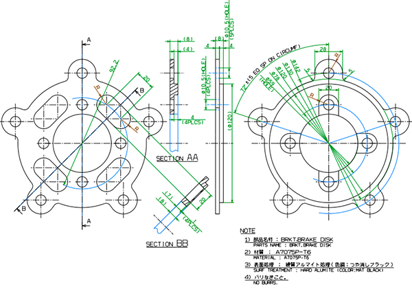
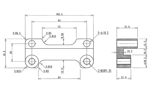
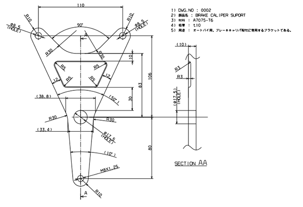
オートバイ改造用のオリジナル部品の設計を行いました。本件では3Dモデリングだけではなく、2D図面も作図し、機械加工で実際に製品製作も行いました。
自転車のハンドルポストの設計をさせて頂きました。クライアント様のこだわりの詰まった部品を設計することが出来ました。
上肢障害を持つお子様がより気軽に電動義手に触れて頂くため、レゴブロックと組み合わせて作れる義手を設計しました。
こちらはオートバイのエンジンを模したオブジェ(マグカップ)です。まずは3Dプリントで製作されるようですが、将来的にはアルミの鋳造での製作も計画されているようです。
FLOW
お仕事の流れ

お客様の製品に対するお考え、要望、アイデアなど様々な情報をお伺いし、使用勝手や使用環境、使用する期間など設計に必要な条件もこちらでご確認させて頂きます。
納品物:議事録、メモ、etc.

お客様からお伺いした情報を元に、システム構成、部品構造、デザイン、それぞれの部品の製法などを検討し徐々に構想を具体化していきます。
納品物:スケッチ、構想書、etc.

具体化した構想をさらに詳細に検討して行きます。CADを使用して各部品の形状やクリアランスを確認したり、適切な材料を選定し、製造方法も決定いたします。
納品物:3Dデータ(STEP形式/IGES形式など)、仕様書、etc.

機械加工に必要な2D図面の作図、または指示書、組立てマニュアルなどを作成します。
※この作業のお仕事のみのご相談も可能です。
納品物:2D図面(DWG形式など)、加工指示書、作業指示書、組立てマニュアル、パーツリスト、etc.

協力企業に依頼し実際に部品の製作を行い納品いたします。主にお受けしている製法は以下のものになります。
3Dプリント(ナイロン、ラバーなど) 切削加工(アルミ、鉄、SUSなど) 精密板金(薄板、鉄、アルミなど)
納品物:実際の部品

お客様の製造現場までおうかがいし組立てのサポート・アドバイス、作業を行います。
納品物:現場サポート(出張)
ABOUT US
会社概要
弊社ホームページをご覧いただきまして、ありがとうございます。
さいとうデザイン事務所株式会社、代表取締役の齋藤でございます。
私はこれまで自動車やオートバイなどの乗り物に留まらず、人型ロボットや人工衛星、他にも工場用治具など様々なプロダクトやメカの開発・設計を行ってきました。
今後、これらの経験を活かし、お客様の求めるプロダクトをワンパッケージで開発・設計を支援させて頂きます。
案件についてはご相談を重ねたうえ柔軟に対応いたしますので、お気軽にお問い合わせください。
よろしくお願いいたします。
さいとうデザイン事務所株式会社
代表取締役:齋藤祐介
オートバイのテストライダー&車体設計業務に従事。 機能・性能・外観・コスト・安全性・耐久性・使い勝手などバランスの良い設計をご提供可能です。
自動運転支援システムをソフトウェアエンジニアとして開発プロジェクトに参画。 大規模な組み込み系システム開発の経験がございます。
人と協働するヒューマノイドロボットの開発プロジェクトに参画。 機構設計・モーター・マイコン・ハーネス全てを包括した設計をご提案可能です。
民間企業による人工衛星の生産・製造業務に従事。 人工衛星の設計、組立て、部品手配、生産・製造に関する設備の準備など様々な業務を経験。